Product added to basket
PARTS CATALOG
Catalog
Diavel / XDiavel
All these accessories are ready to be shipped!
Ducati Oil
DesertX
Scrambler
Multistrada
Superbike
Monster
Diavel / XDiavel
Hypermotard
Streetfighter
Sport-classic
Semi Classic
Supersport
Sport-touring
Desmosedici
USA Models
2015
2024
2023
2022
2021
2020
2019
2018
2017
2016
2015
2014
2013
2012
2011
Diavel
Diavel
Diavel Carbon
Register here!
Log in to your account
0
0.00
Log in to your account
0
0.00
-
New folder
BATTERY HOLDER
HEADLIGHT
ENGINE CONTROL UNIT
WIRING HARNESS
WIRING HARNESS (COIL)
NUMBER PLATE HOLDER - TAIL LIGHT
GEARCHANGE CONTROL
GEAR BOX
CLUTCH
CLUTCH COVER
CONNECTING RODS
CYLINDERS - PISTONS
DISTRIBUZIONE
FILTERS AND OIL PUMP
HALF-CRANKCASES PAIR
WATER PUMP-ALTR-SIDE CRNKCSE COVER
ELECTRIC STARTING AND IGNITION
CAMSHAFT
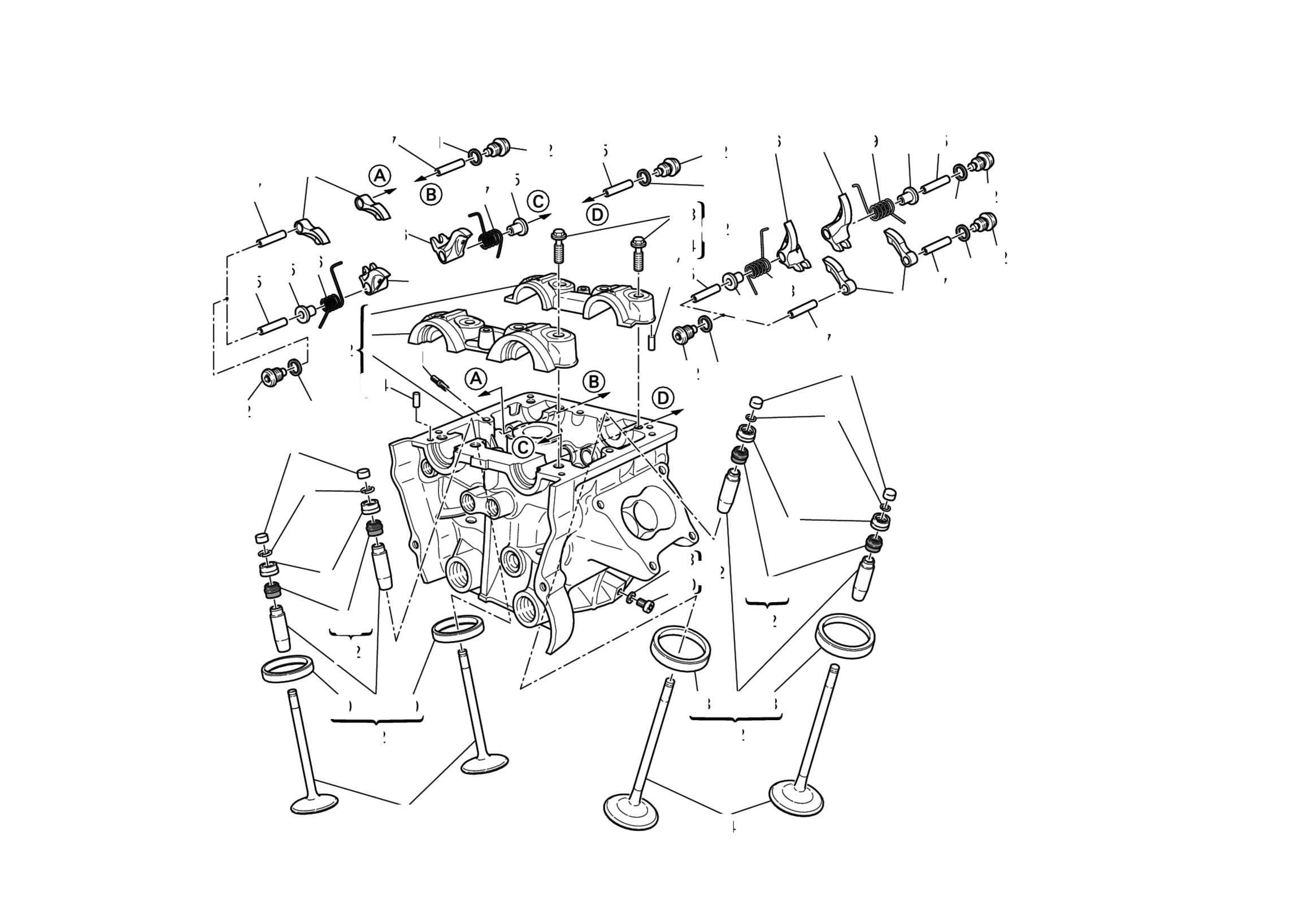
VERTICAL CYLINDER HEAD
HORIZONTAL CYLINDER HEAD
OIL COOLER
THROTTLE BODY
CRANKCASE BEARINGS
WORKSHOP SERVICE TOOLS
WORKSHOP SERVICE TOOLS
WORKSHOP SERVICE TOOLS
DDS (2) TESTER
EXHAUST SYSTEM
HANDLEBAR
FRAME
CLUTCH MASTER CYLINDER
FRONT BRAKE SYSTEM
REAR BRAKE SYSTEM
WHEELS
REAR FRAME COMP.
REAR SHOCK ABSORBER
INTAKE
RADIATOR WATERRH
COOLING CIRCUIT
FUEL TANK
SEAT
COVERS TANK
INSTRUMENT PANEL
FRONT FORK
SIDE STAND
FOOTRESTS RIGHT
FOOTRESTS LEFT
BRAKING SYSTEM ABS
HUB REAR WHEEL
SWING ARM
RADIATOR WATER LH
TANK WATER RESERVOIR
FUEL PUMP
COVER RADIATOR
FRONT MUDGUARD
WINDSHIELD