Product added to basket
PARTS CATALOG
Catalog
Monster
All these accessories are ready to be shipped!
Ducati Oil
DesertX
Scrambler
Multistrada
Superbike
Monster
Diavel / XDiavel
Hypermotard
Streetfighter
Sport-classic
Semi Classic
Supersport
Sport-touring
Desmosedici
USA Models
1996
2023
2022
2021
2020
2019
2018
2017
2016
2015
2014
2013
2012
2011
2010
2009
2008
2007
2006
2005
2004
2003
2002
2001
1996
Monster 900
Monster 900
Register here!
Log in to your account
0
0.00
Log in to your account
0
0.00
-
WIRING HARNESS
IGNITION COIL
METER
HEADLIGHT
TAILLIGHT
TAILLIGHT USA
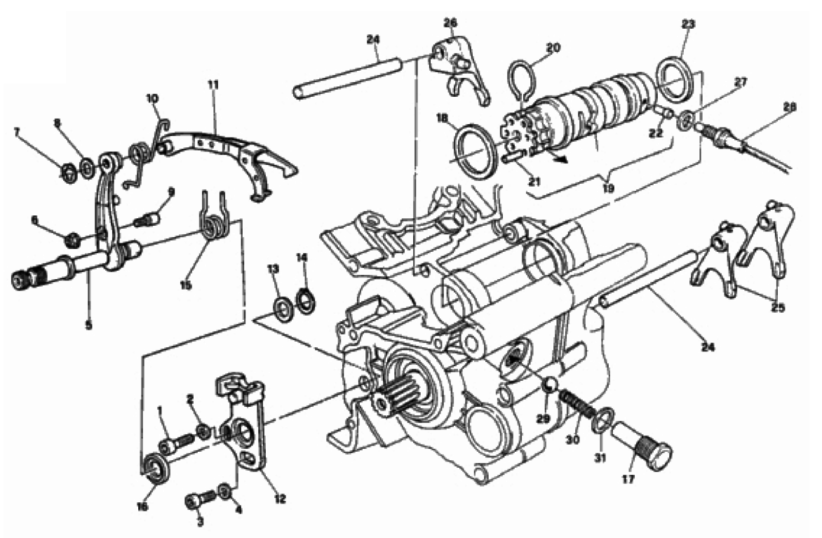
GEAR CHANGE MECHANISM
GEAR BOX
CLUTCH
CLUTCH COVER
CRANKSHAFT
CYLINDER - PISTON
TIMING BELT
OIL PUMP - FILTER
CRANKCASE
GENERATOR COVER
GENERATOR - STARTING MOTOR
CAMSHAFT
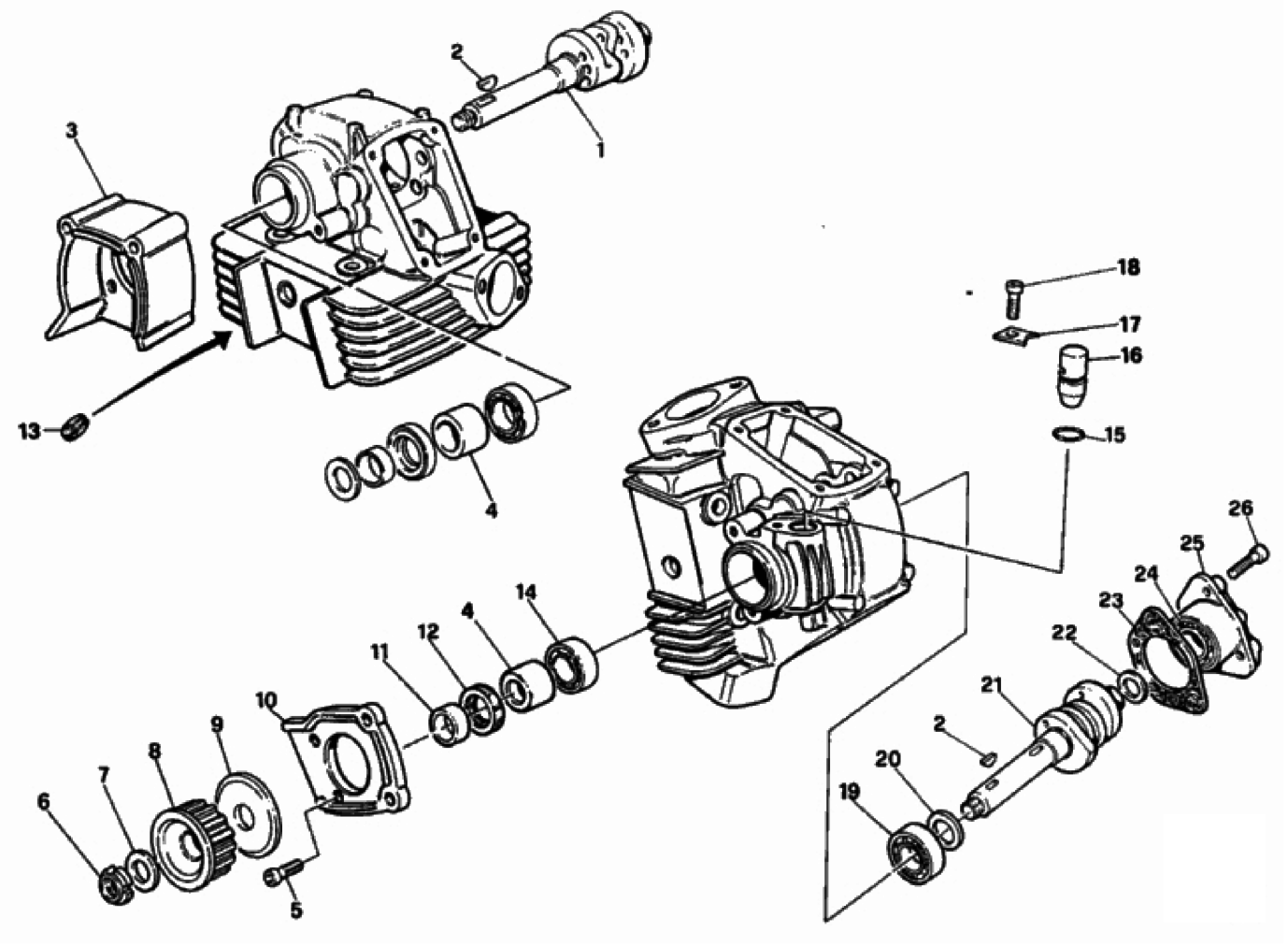
CYLINDER HEAD
INTAKE MANIFOLD
CARBURETOR
OIL COOLER
CARBURETOR SPARE PARTS
FLOAT CHAMBER HEATING
EXHAUST SYSTEM
FRONT FORK SHOWA FM <009914
WHEELS DM 009283>
HANDLEBAR
FRONT BRAKE SYSTEM
REAR BRAKE SYSTEM
FRAME
FOOTREST
SWING ARM FM <006463
INTAKE
FUEL TANK
SEAT
COWLING
WARNING LABELS USA
FUEL PUMP <004462
FUEL PUMP 004462-009914
FUEL PUMP DM 009915>
FRONT FORK MARZOCCHI DM 009915>
WHEELS FM 009282
HANDLEBAR CLUB ITALIA
FRONT BRAKE SYSTEM CLUB ITALIA
REAR BRAKE SYSTEM CLUB ITALIA
SWING ARM DM 006464>
REAR SHOCK ABSORBER
FILTER CANISTER USA