Product added to basket
PARTS CATALOG
Catalog
Monster
All these accessories are ready to be shipped!
Ducati Oil
DesertX
Scrambler
Multistrada
Superbike
Monster
Diavel / XDiavel
Hypermotard
Streetfighter
Sport-classic
Semi Classic
Supersport
Sport-touring
Desmosedici
USA Models
2005
2023
2022
2021
2020
2019
2018
2017
2016
2015
2014
2013
2012
2011
2010
2009
2008
2007
2006
2005
2004
2003
2002
2001
1996
Monster 620
Monster 400
Monster 620
Monster 620 Dark 2 DISCS.
Monster 1000
Monster S2R
Monster S2R Dark
Monster S4R
Register here!
Log in to your account
0
0.00
Log in to your account
0
0.00
-
WORKSHOP SERVICE TOOLS
WORKSHOP SERVICE TOOLS
MATHESIS TESTER
WORKSHOP SERVICE TOOLS
GEARCHANGE CONTROL
GEARBOX
CLUTCH
CLUTCH-SIDE CRANKCASE COVER
CONNECTING RODS
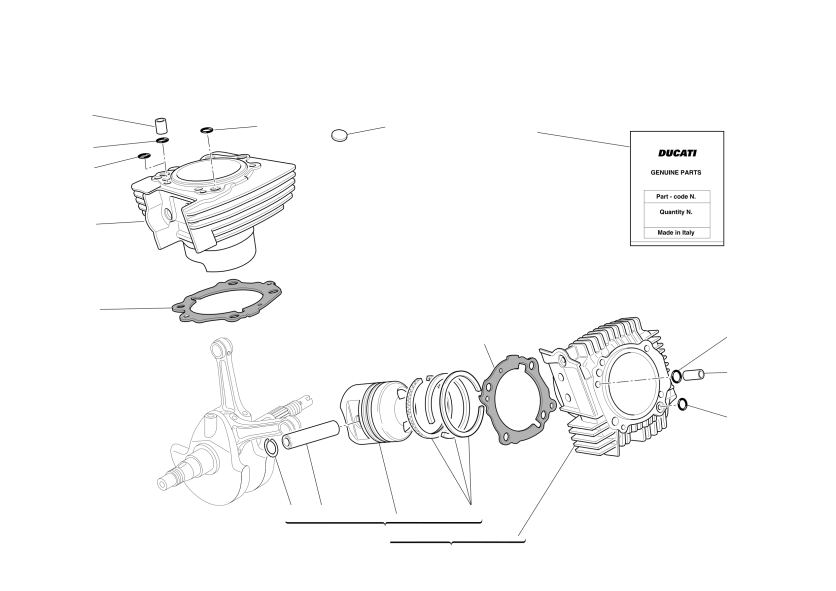
CYLINDERS - PISTONS
TIMING SYSTEM
FILTERS AND OIL PUMP
CRANKCASE HALVES
ALTERNATOR-SIDE CRANKCASE COVER
ELECTRIC STARTING AND IGNITION
CYLINDER HEAD : TIMING SYSTEM
INTAKE MANIFOLDS
STANDS
ELECTRICAL SYSTEM
BATTERY SUPPORT
EXHAUST SYSTEM
INSTRUMENT PANEL
HEADLIGHT
NUMBER PLATE HOLDER - TAIL LIGHT
FRONT FORKS
FRONT AND REAR WHEELS
HANDLEBAR AND CONTROLS
CLUTCH CONTROL
FRONT BRAKE
REAR BRAKE
FRAME
GEARCHANGE LEVER - FOOTREST
SWINGARM AND DRIVE CHAIN
REAR SUSPENSION
AIR INTAKE - OIL BREATHER
FUEL TANK
FUEL SYSTEM
SEAT
HEADLIGHT FAIRING