Product added to basket
PARTS CATALOG
Catalog
Monster
All these accessories are ready to be shipped!
Ducati Oil
DesertX
Scrambler
Multistrada
Superbike
Monster
Diavel / XDiavel
Hypermotard
Streetfighter
Sport-classic
Semi Classic
Supersport
Sport-touring
Desmosedici
USA Models
2021
2023
2022
2021
2020
2019
2018
2017
2016
2015
2014
2013
2012
2011
2010
2009
2008
2007
2006
2005
2004
2003
2002
2001
1996
Monster 1200
Monster
Monster Plus
Monster 1200
Register here!
Log in to your account
0
0.00
Log in to your account
0
0.00
-
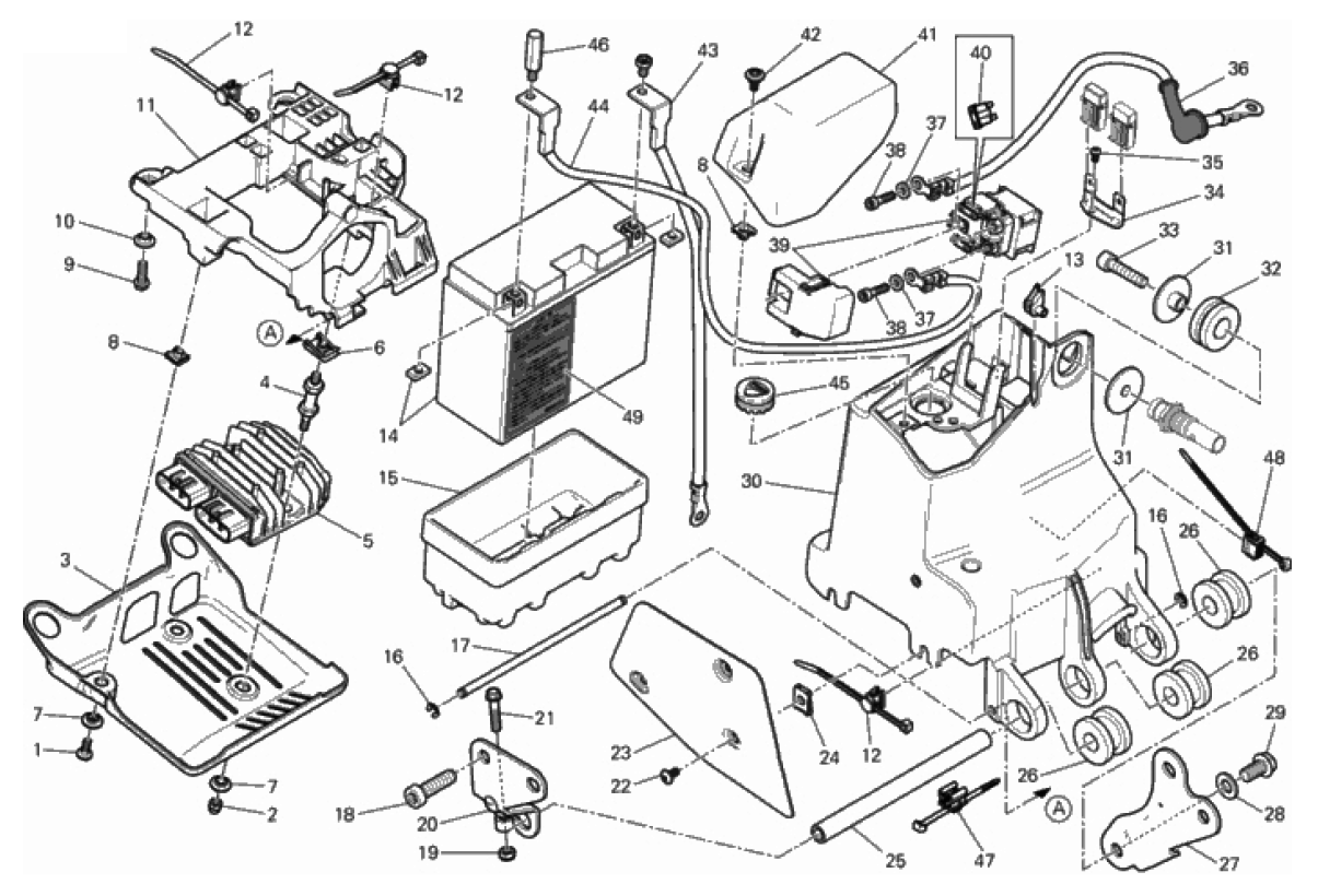
BATTERY HOLDER
BATTERY HOLDER
HEADLIGHT
ENGINE CONTROL UNIT
WIRING HARNESS
INSTRUMENT PANEL
PLATE HOLDER
PLATE HOLDER
SHIFT CAM - FORK
GEAR BOX
CLUTCH
CLUTCH COVER
CONNECTING RODS
CYLINDERS - PISTONS
TIMING SYSTEM
FILTERS AND OIL PUMP
HALF-CRANKCASES PAIR
WATER PUMP-ALTR-SIDE CRNKCSE COVER
ELECTRIC STARTING AND IGNITION
CYLINDER HEAD : TIMING SYSTEM
VERTICAL HEAD
HORIZONTAL HEAD
HALF-CRANKCASES PAIR
OIL COOLER
THROTTLE BODY
EXHAUST SYSTEM
HANDLEBAR AND CONTROLS
FRAME
FRAME
CLUTCH CONTROL
FRONT BRAKE SYSTEM
REAR BRAKE SYSTEM
RUOTA ANTERIORE E POSTERIORE
REAR FRAME COMP.
SOSPENSIONE POSTERIORE
AIR INTAKE - OIL BREATHER
WATER COOLER
COOLING SYSTEM
FUEL TANK
FUEL TANK
SEAT
HALF FAIRING
HOT AIR PIPE CANISTER
POSITIONING PLATES
FRONT FORK
SIDE STAND (23/29)
ANTILOCK BRAKING SYSTEM (ABS)
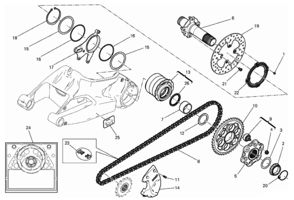
REAR WHEEL SPINDLE
FOOTRESTS, LEFT
FOOTRESTS, RIGHT
REAR SWINGING ARM
REAR SWINGING ARM
WORKSHOP SERVICE TOOLS, ENGINE
WORKSHOP SERVICE TOOLS, ENGINE
WORKSHOP SERVICE TOOLS, FRAME
DDS (2) TESTER