Product added to basket
PARTS CATALOG
Catalog
Multistrada
All these accessories are ready to be shipped!
Ducati Oil
DesertX
Scrambler
Multistrada
Superbike
Monster
Diavel / XDiavel
Hypermotard
Streetfighter
Sport-classic
Semi Classic
Supersport
Sport-touring
Desmosedici
USA Models
2021
2025
2024
2023
2022
2021
2020
2019
2018
2017
2016
2015
2014
2013
2012
2011
2010
2009
2008
2007
2006
2005
2004
2003
Multistrada 950
Multistrada 950
Multistrada 950 S
Multistrada V4
Multistrada V4 S
Multistrada V4 S Sport
Multistrada V4 S Travel
Multistrada V4 S Travel Radar
Multistrada V4 S Performance
Multistrada V4 S Full
Register here!
Log in to your account
0
0.00
Log in to your account
0
0.00
-
BATTERY HOLDER
HEADLIGHT
ENGINE CONTROL UNIT
WIRING HARNESS
WIRING HARNESS (COIL)
FRONT WIRING HARNESS
TAILLIGHT
INSTRUMENT PANEL
PLATE HOLDER
PLATE HOLDER
GEAR CHANGE MECHANISM
GEAR BOX
CLUTCH
CLUTCH COVER
CONNECTING RODS
CYLINDERS - PISTONS
TIMING SYSTEM
OIL PUMP - FILTER
HALF-CRANKCASES PAIR
GENERATOR COVER
ELECTRIC STARTING AND IGNITION
VERTICAL CYLINDER HEAD
HORIZONTAL CYLINDER HEAD
OIL COOLER
THROTTLE BODY
HALF-CRANKCASES PAIR
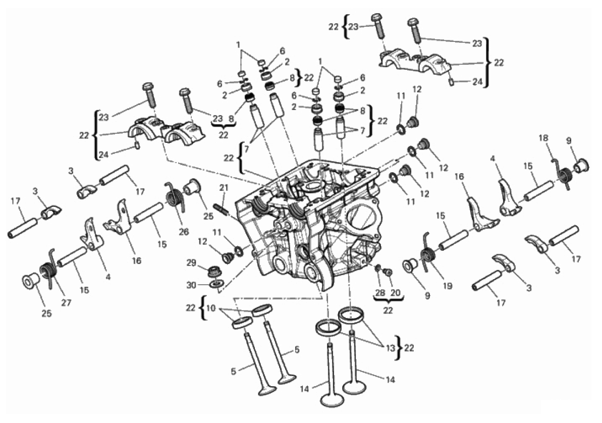
VERTICAL CYLINDER HEAD - TIMING
HORIZONTAL HEAD – TIMING SYSTEM
EXHAUST SYSTEM
HANDLEBAR
FRAME
CLUTCH MASTER CYLINDER
FRONT BRAKE SYSTEM
REAR BRAKING SYSTEM
WHEELS
REAR FRAME COMP.
REAR FRAME COMP.
REAR SHOCK ABSORBER
INTAKE
WATER COOLER
COOLING CIRCUIT
FUEL TANK
SEAT
COWLING
CANISTER FILTER
LABEL, WARNING
SECONDARY AIR SYSTEM
FRONT FORK
STEERING HEAD BASE ASSEMBLY
SIDE STAND
BRAKING SYSTEM ABS
FOOTRESTS, LEFT
FOOTRESTS, RIGHT
SWING ARM
FUEL PUMP
FAIRING
FAIRING
WINDSHIELD
WORKSHOP SERVICE TOOLS
WORKSHOP SERVICE TOOLS
DDS (2) TESTER