Product added to basket
PARTS CATALOG
Catalog
Multistrada
All these accessories are ready to be shipped!
Ducati Oil
DesertX
Scrambler
Multistrada
Superbike
Monster
Diavel / XDiavel
Hypermotard
Streetfighter
Sport-classic
Semi Classic
Supersport
Sport-touring
Desmosedici
USA Models
2023
2025
2024
2023
2022
2021
2020
2019
2018
2017
2016
2015
2014
2013
2012
2011
2010
2009
2008
2007
2006
2005
2004
2003
Multistrada V4 Pikes Peak
Multistrada V2
Multistrada V2 S
Multistrada V2 S Travel
Multistrada V4
Multistrada V4 S
Multistrada V4 S Radar
Multistrada V4 S Travel Radar
Multistrada V4 S Full
Multistrada V4 Pikes Peak
Multistrada V4 Rally Radar
Multistrada V4 Rally Travel Radar
Multistrada V4 Rally Radar Full
Register here!
Log in to your account
0
0.00
Log in to your account
0
0.00
-
new folder
13A ENGINE ELECTRIC SYSTEM (1/11)
13B VEHICLE ELECTRIC SYSTEM (2/11)
13C CONTROL UNIT (3/11)
13D BATTERY HOLDER (4/11)
13E ELECTRICAL DEVICES (5/11)
13F ELECTRICAL DEVICES (6/11)
13G ELECTRICAL DEVICES (7/11)
14A HEADLIGHT (8/11)
14B TAILLIGHT (9/11)
14C TURN INDICATORS (10/11)
15A INSTRUMENT PANEL (11/11)
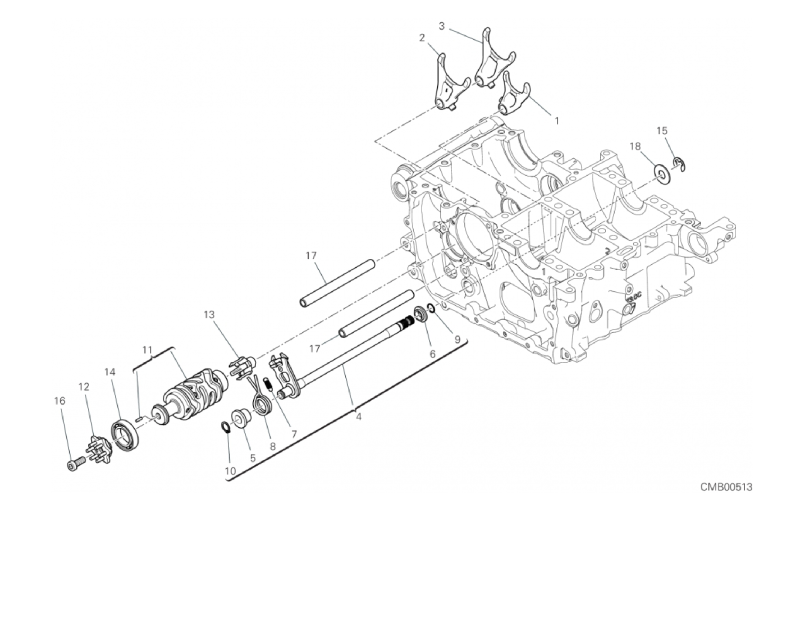
02A SHIFT CAM - FORK (1/18)
03A GEAR BOX (2/18)
03B CLUTCH (3/18)
04A CLUTCH COVER (4/18)
04B GENERATOR COVER (5/18)
04C OIL PAN (6/18)
05A CONNECTING RODS (7/18)
06A CYLINDERS - PISTONS (8/18)
07A TIMING SYSTEM (9/18)
08A OIL PUMP (10/18)
09A HALF-CRANKCASES PAIR (11/18)
09B HALF-CRANKCASES PAIR (12/18)
10A WATER PUMP (13/18)
11A ELECTRIC STARTING AND IGNITION (14/18)
12A FRONT HEAD - TIMING SYSTEM (15/18)
12B REAR HEAD - TIMING SYSTEM (16/18)
12C FRONT HEAD (17/18)
12D REAR HEAD (18/18)
16A SIDE STAND (1/53)
17A FRONT SPROCKET - CHAIN (2/53)
18A STEERING HEAD BASE ASSEMBLY (3/53)
18B FRONT FORK (4/53)
19A REAR SWINGING ARM (5/53)
20A FRONT BRAKE PUMP (6/53)
20B FRONT BRAKE SYSTEM (7/53)
20C ANTI LOCK BRAKE SYSTEM (8/53)
20D REAR BRAKE SYSTEM (9/53)
21A PLATE HOLDER (10/53)
21A PLATE HOLDER (11/53)
21A PLATE HOLDER (12/53)
21A PLATE HOLDER (13/53)
22A HANDLEBAR AND CONTROLS (14/53)
22B CLUTCH PUMP (15/53)
23A REAR SHOCK ABSORBER (16/53)
24A FRONT MUDGUARD (17/53)
25A RADIATOR, WATER,RH (18/53)
25B RADIATOR, WATER, LH (19/53)
25C COOLING CIRCUIT (20/53)
26A FOOTRESTS, LEFT (21/53)
26B FOOTRESTS, RIGHT (22/53)
26C REAR FOOTREST (23/53)
27A REAR MUDGUARD (24/53)
28A FRONT WHEEL (25/53)
29A REAR WHEEL (26/53)
29B REAR WHEEL SPINDLE (27/53)
30A TANK (28/53)
30B FUEL PUMP (29/53)
30C CANISTER FILTER (30/53)
30C CANISTER FILTER (31/53)
31A EXHAUST MANIFOLD (32/53)
31A EXHAUST MANIFOLD (33/53)
31B SILENCER (34/53)
31C SECONDARY AIR SYSTEM (35/53)
32A RIDER AND PASSENGER SEAT (36/53)
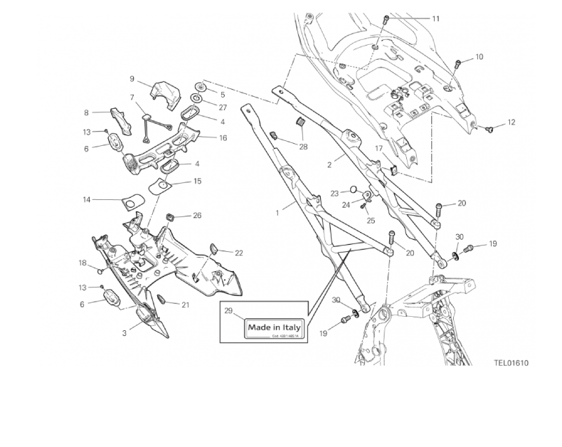
33A FRONT SUBFRAME (37/53)
33B FRAME (38/53)
33C FRAME PLATE UNIT (39/53)
33D REAR FRAME COMP. (40/53)
33D REAR FRAME COMP. (41/53)
34A OIL COOLER (42/53)
35A AIR INTAKE - OIL BREATHER (43/53)
36A THROTTLE BODY (44/53)
37A COWLING (45/53)
37B HEALDIGHT FAIRING SUPPORT (46/53)
37C AIR CONVEYOR (47/53)
37D TANK COVER (48/53)
37E COVER , FRAME RH (49/53)
37F COVER , FRAME LH (50/53)
37G SUMP GUARD (51/53)
37H PILLION RIDER GRIP REAR (52/53)
39A POSITIONING PLATES (53/53)
01A DDS TESTER (1/4)
01B WORKSHOP SERVICE TOOLS (2/4)
01C WORKSHOP SERVICE TOOLS (ENGINE) (3/4)
01D WORKSHOP SERVICE TOOLS (FRAME) (4/4)