Product added to basket
PARTS CATALOG
Catalog
Scrambler
All these accessories are ready to be shipped!
Ducati Oil
DesertX
Scrambler
Multistrada
Superbike
Monster
Diavel / XDiavel
Hypermotard
Streetfighter
Sport-classic
Semi Classic
Supersport
Sport-touring
Desmosedici
USA Models
2021
2025
2024
2023
2022
2021
2020
2019
2018
2017
2016
Accessories
Scrambler 1100 Dark Pro
Scrambler Icon
Scrambler Icon Dark
Scrambler Nightshift
Scrambler Desert Sled
Scrambler DS Fasthouse
Scrambler 1100 Dark Pro
Scrambler 1100 Sport Pro
Register here!
Log in to your account
0
0.00
Log in to your account
0
0.00
-
WIRING HARNESS (COIL)
VEHICLE ELECTRIC SYSTEM
BATTERY HOLDER
ELECTRICAL DEVICES
ELECTRICAL DEVICES
HEADLIGHT
TAILLIGHT
INSTRUMENT PANEL
INSTRUMENT PANEL
SHIFT CAM - FORK
GEAR BOX
CLUTCH (FCC)
CLUTCH COVER
GENERATOR COVER
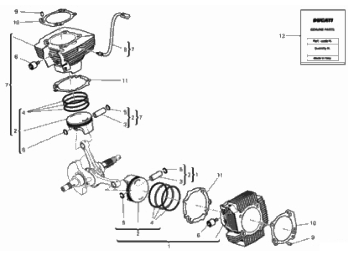
CONNECTING RODS
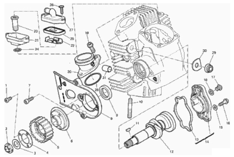
CYLINDERS - PISTONS
CYLINDERS - PISTONS
TIMING SYSTEM
OIL PUMP
HALF-CRANKCASES PAIR
HALF-CRANKCASES PAIR
ELECTRIC STARTING AND IGNITION
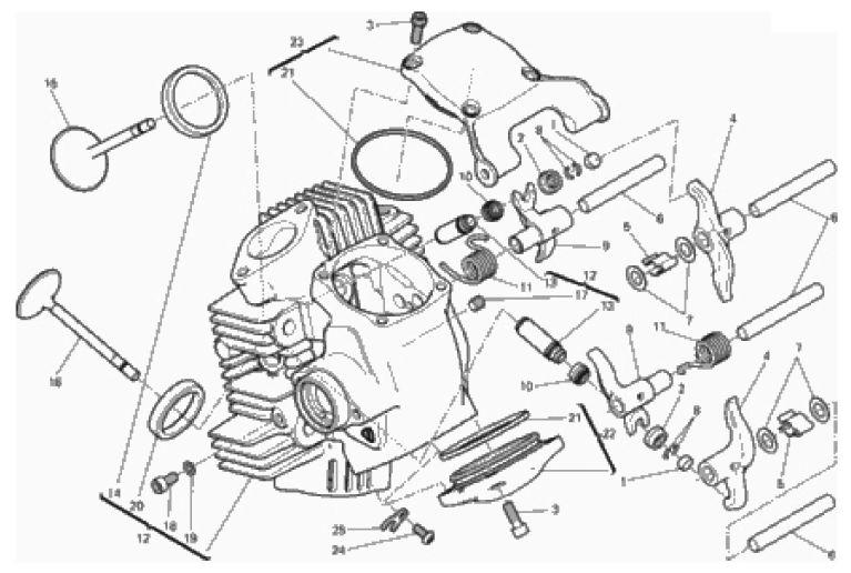
VERTICAL CYLINDER HEAD - TIMING
HORIZONTAL HEAD – TIMING SYSTEM
VERTICAL HEAD
VERTICAL HEAD
HORIZONTAL HEAD
HORIZONTAL HEAD
STAND
FRONT SPROCKET - CHAIN
STEERING ASSEMBLY
STEERING ASSEMBLY
FRONT FORK
REAR SWINGING ARM
FRONT BRAKE PUMP
FRONT BRAKE SYSTEM
BRAKING SYSTEM ABS
REAR BRAKE SYSTEM
PLATE HOLDER
HANDLEBAR
CLUTCH CONTROL
REAR SHOCK ABSORBER
FRONT MUDGUARD
FOOTRESTS, LEFT
FOOTRESTS, RIGHT
REAR MUDGUARD
FRONT WHEEL
REAR WHEEL
TANK
EXHAUSRT PIPE ASSY
EXHAUST SILENCER
SEAT
FRAME
REAR FRAME COMP.
OIL COOLER
AIR INTAKE - OIL BREATHER
SECONDARY AIR SYSTEM
THROTTLE BODY
CANISTER FILTER
FAIRING
DDS (2) TESTER
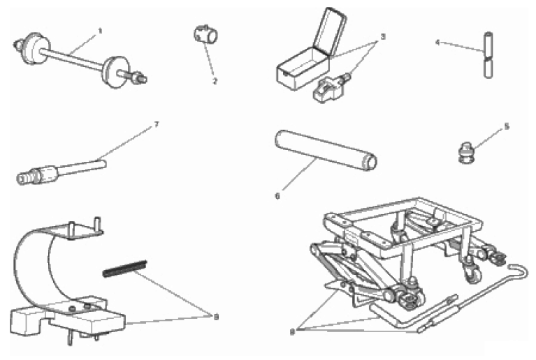
WORKSHOP SERVICE TOOLS, ENGINE
WORKSHOP SERVICE TOOLS, FRAME