Product added to basket
PARTS CATALOG
Catalog
Supersport
All these accessories are ready to be shipped!
Ducati Oil
DesertX
Scrambler
Multistrada
Superbike
Monster
Diavel / XDiavel
Hypermotard
Streetfighter
Sport-classic
Semi Classic
Supersport
Sport-touring
Desmosedici
USA Models
2023
2024
2023
2022
2021
2020
2019
2018
2017
2006
2005
2004
2003
2002
2001
1996
Supersport 950 S
Supersport 950
Supersport 950 S
Register here!
Log in to your account
0
0.00
Log in to your account
0
0.00
-
018 BATTERY HOLDER (1/7)
018 BATTERY HOLDER (2/7)
020 HEADLIGHT (3/7)
18A ENGINE CONTROL UNIT (4/7)
18B WIRING HARNESS (5/7)
28B PLATE HOLDER (6/7)
28B PLATE HOLDER (7/7)
002 SHIFT CAM - FORK (1/16)
003 GEAR BOX (2/16)
004 CLUTCH (3/16)
005 CLUTCH COVER (4/16)
006 CONNECTING RODS (5/16)
006 CONNECTING RODS (6/16)
007 CYLINDERS - PISTONS (7/16)
008 TIMING SYSTEM (8/16)
009 FILTERS AND OIL PUMP (9/16)
010 HALF-CRANKCASES PAIR (10/16)
011 WATER PUMP-ALTR-SIDE CRNKCSE COVER (11/16)
012 ELECTRIC STARTING AND IGNITION (12/16)
013 CYLINDER HEAD - TIMING SYSTEM (13/16)
014 VERTICAL HEAD (14/16)
015 HORIZONTAL HEAD (15/16)
10A HALF-CRANKCASES PAIR (16/16)
016 OIL COOLER (1/30)
017 THROTTLE BODY (2/30)
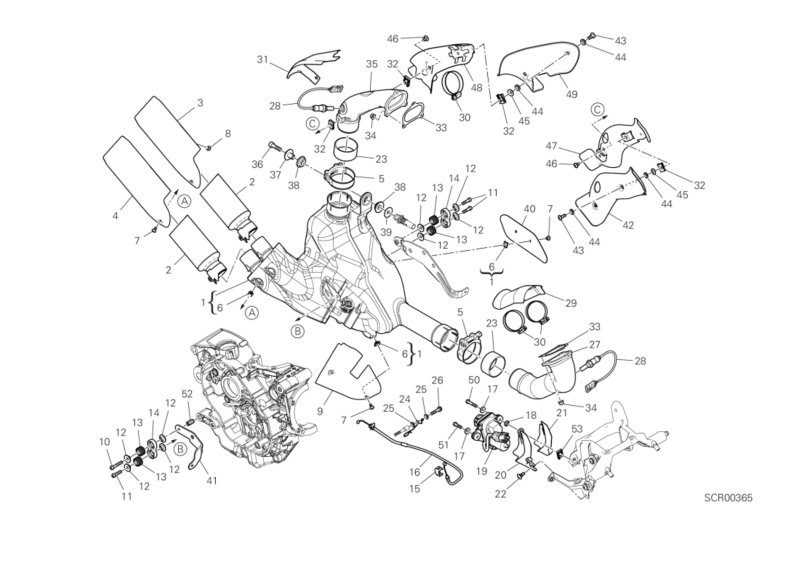
019 EXHAUST SYSTEM (3/30)
021 HANDLEBAR AND CONTROLS (4/30)
022 FRAME (5/30)
022 FRAME (6/30)
023 CLUTCH CONTROL (7/30)
024 FRONT BRAKE SYSTEM (8/30)
025 REAR BRAKE SYSTEM (9/30)
026 RUOTA ANTERIORE E POSTERIORE (10/30)
027 REAR FRAME COMP. (11/30)
028 SOSPENSIONE POSTERIORE (12/30)
029 AIR INTAKE - OIL BREATHER (13/30)
030 WATER COOLER (14/30)
031 COOLING SYSTEM (15/30)
032 FUEL TANK (16/30)
033 SEAT (17/30)
035 HOT AIR PIPE CANISTER (18/30)
036 POSITIONING PLATES (19/30)
21A FRONT FORK (20/30)
22A SIDE STAND (21/30)
24A ANTILOCK BRAKING SYSTEM (ABS) (22/30)
26A REAR WHEEL SPINDLE (23/30)
27A FOOTRESTS, LEFT (24/30)
27B FOOTRESTS, RIGHT (25/30)
28A REAR SWINGING ARM (26/30)
28A REAR SWINGING ARM (27/30)
34A COWLING (28/30)
34B RH FAIRING (29/30)
34C LH FAIRING (30/30)
001 WORKSHOP SERVICE TOOLS (ENGINE) (1/3)
01A WORKSHOP SERVICE TOOLS (FRAME) (2/3)
01B CHECK INTRUMENT DDS (3/3)