Product added to basket
PARTS CATALOG
Catalog
USA Models
All these accessories are ready to be shipped!
Ducati Oil
DesertX
Scrambler
Multistrada
Superbike
Monster
Diavel / XDiavel
Hypermotard
Streetfighter
Sport-classic
Semi Classic
Supersport
Sport-touring
Desmosedici
USA Models
Superbike USA
Scrambler USA
Streetfighter USA
Superbike USA
Supersport USA
Monster USA
Multistrada USA
Diavel USA
Hypermotard USA
2020
2022
2021
2020
2019
2018
2017
2016
2015
2013
2012
Superbike Panigale V4 R USA
Superbike Panigale V2 USA
Superbike Panigale V4 USA
Superbike Panigale V4 R USA
Register here!
Log in to your account
0
0.00
Log in to your account
0
0.00
-
ENGINE ELECTRIC SYSTEM
SECONDARY AIR SYSTEM
VEHICLE ELECTRIC SYSTEM
BATTERY HOLDER
ELECTRICAL DEVICES
ELECTRICAL DEVICES
HEADLIGHT
TAILLIGHT
INSTRUMENT PANEL
SHIFT CAM - FORK
GEAR BOX
CLUTCH
CLUTCH COVER
GENERATOR COVER
OIL PAN
CONNECTING RODS
CYLINDERS - PISTONS
TIMING SYSTEM
OIL PUMP
HALF-CRANKCASES PAIR
HALF-CRANKCASES PAIR
WATER PUMP
ELECTRIC STARTING AND IGNITION
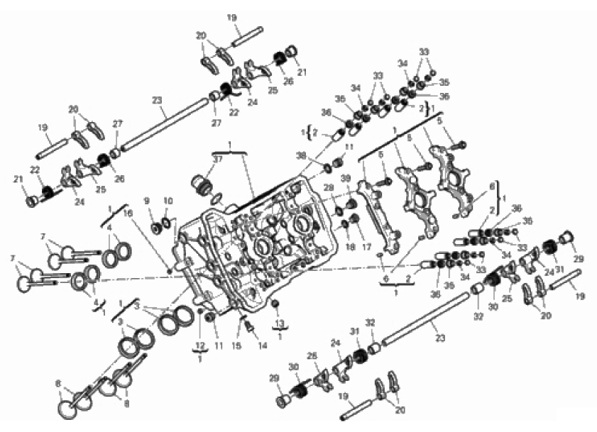
FRONT HEAD - TIMING SYSTEM
REAR HEAD - TIMING SYSTEM
FRONT HEAD
REAR HEAD
STAND
FRONT SPROCKET - CHAIN
STEERING ASSEMBLY
FRONT FORK
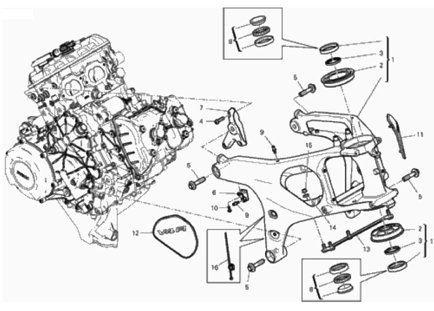
REAR SWINGING ARM
FRONT BRAKE PUMP
FRONT BRAKE SYSTEM
BRAKING SYSTEM ABS
REAR BRAKE SYSTEM
PLATE HOLDER
HALF-HANDLEBARS
CLUTCH CONTROL
REAR SHOCK ABSORBER
FRONT MUDGUARD
WATER COOLER
COOLING CIRCUIT
FOOTRESTS, LEFT
FOOTRESTS, RIGHT
REAR MUDGUARD
FRONT WHEEL
REAR WHEEL
REAR WHEEL SPINDLE
TANK
EXHAUST SYSTEM
EXHAUST SYSTEM
SEAT
FRAME
REAR FRAME COMP.
LOCKER
OIL COOLER
AIR INTAKE - OIL BREATHER
THROTTLE BODY
THROTTLE BODY
36C CANISTER FILTER (34/40)
COWLING
FAIRING, RH
FAIRING, LH
REAR FAIRING
POSITIONING PLATES
ACCESSORIES
DDS (2) TESTER
WORKSHOP SERVICE TOOLS (ENGINE)
WORKSHOP SERVICE TOOLS (ENGINE)
WORKSHOP SERVICE TOOLS (FRAME)