Producto añadido a la cesta
CATÁLOGO DE PIEZAS
Catálogo
Diavel / XDiavel
All these accessories are ready to be shipped!
Ducati Oil
DesertX
Scrambler
Multistrada
Superbike
Monster
Diavel / XDiavel
Hypermotard
Streetfighter
Sport-classic
Semi Classic
Supersport
Sport-touring
Desmosedici
USA Models
2023
2024
2023
2022
2021
2020
2019
2018
2017
2016
2015
2014
2013
2012
2011
Diavel V4
Diavel V4
Diavel XDiavel Dark
XDiavel S
Register here!
Log in to your account
0
0.00
Log in to your account
0
0.00
-
12A VEHICLE ELECTRIC SYSTEM (1/11)
12B BATTERY HOLDER (2/11)
12C ELECTRICAL DEVICES (3/11)
12D ELECTRICAL DEVICES (4/11)
12F ENGINE ELECTRIC SYSTEM (5/11)
12G ELECTRICAL DEVICES (6/11)
13A HEADLIGHT (7/11)
13B TAILLIGHT (8/11)
13C TURN INDICATORS (9/11)
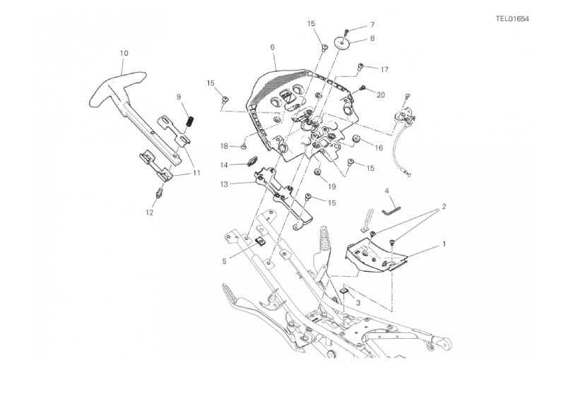
14A INSTRUMENT PANEL (10/11)
14A INSTRUMENT PANEL (11/11)
02A SHIFT CAM - FORK (1/18)
03A GEAR BOX (2/18)
03B CLUTCH (3/18)
04A CLUTCH COVER (4/18)
04B GENERATOR COVER (5/18)
04C OIL PAN (6/18)
05A CONNECTING RODS (7/18)
06A CYLINDERS - PISTONS (8/18)
06B WATER PUMP (9/18)
07A TIMING SYSTEM (10/18)
08A OIL PUMP (11/18)
09A HALF-CRANKCASES PAIR (12/18)
09B HALF-CRANKCASES PAIR (13/18)
10A ELECTRIC STARTING AND IGNITION (14/18)
11A FRONT HEAD - TIMING SYSTEM (15/18)
11B REAR HEAD - TIMING SYSTEM (16/18)
11C FRONT HEAD (17/18)
11D REAR HEAD (18/18)
15A STAND (1/39)
16A FRONT SPROCKET - CHAIN (2/39)
17A STEERING ASSEMBLY (3/39)
17B FRONT FORK (4/39)
18A REAR SWINGING ARM (5/39)
19A FRONT BRAKE PUMP (6/39)
19B FRONT BRAKE SYSTEM (7/39)
19C BRAKING SYSTEM ABS (8/39)
19D REAR BRAKE SYSTEM (9/39)
20A PLATE HOLDER (10/39)
20A PLATE HOLDER (11/39)
21A HANDLEBAR (12/39)
21B CLUTCH CONTROL (13/39)
22A REAR SHOCK ABSORBER (14/39)
23A FRONT MUDGUARD (15/39)
24A WATER COOLER (16/39)
24B COOLING CIRCUIT (17/39)
25A FOOTRESTS, LEFT (18/39)
25B FOOTRESTS, RIGHT (19/39)
26A REAR MUDGUARD (20/39)
27A FRONT WHEEL (21/39)
28A REAR WHEEL (22/39)
28B REAR WHEEL SPINDLE (23/39)
29A FUEL TANK (24/39)
30B EXHAUST SILENCER (25/39)
30C SECONDARY AIR SYSTEM (26/39)
30D ELECTRIC MOTOR, EXHAUST VALVE (27/39)
31A SEAT (28/39)
32A FRAME (29/39)
32B REAR FRAME COMP. (30/39)
32C LOCKER (31/39)
33A OIL COOLER (32/39)
34A AIR INTAKE - OIL BREATHER (33/39)
35A THROTTLE BODY (34/39)
35B CANISTER FILTER (35/39)
36B FAIRING (36/39)
36C FAIRING (37/39)
36D FAIRING (38/39)
37A POSITIONING PLATES (39/39)
01A WORKSHOP SERVICE TOOLS (ENGINE) (1/4)
01B WORKSHOP SERVICE TOOLS (FRAME) (2/4)
01C CHECK INTRUMENT DDS (3/4)
01D WORKSHOP SERVICE TOOLS (4/4)