Producto añadido a la cesta
CATÁLOGO DE PIEZAS
Catálogo
Multistrada
All these accessories are ready to be shipped!
Ducati Oil
DesertX
Scrambler
Multistrada
Superbike
Monster
Diavel / XDiavel
Hypermotard
Streetfighter
Sport-classic
Semi Classic
Supersport
Sport-touring
Desmosedici
USA Models
2024
2025
2024
2023
2022
2021
2020
2019
2018
2017
2016
2015
2014
2013
2012
2011
2010
2009
2008
2007
2006
2005
2004
2003
Multistrada V2
Multistrada V2
Multistrada V2 S
Multistrada V2 S Travel
Multistrada V4
Multistrada V4 S
Multistrada V4 S Radar
Multistrada V4 S Travel Radar
Multistrada V4 S Full
Multistrada V4 Pikes Peak
Multistrada V4 Rally Radar
Multistrada V4 Rally Travel Radar
Multistrada V4 Rally Radar Full
Register here!
Log in to your account
0
0.00
Log in to your account
0
0.00
-
018 BATTERY HOLDER (1/11)
018 BATTERY HOLDER (2/11)
020 HEADLIGHT (3/11)
18A ENGINE CONTROL UNIT (4/11)
18B WIRING HARNESS (5/11)
18C WIRING HARNESS (COIL) (6/11)
18E FRONT WIRING HARNESS (7/11)
20A TAILLIGHT (8/11)
20B INSTRUMENT PANEL (9/11)
27A PLATE HOLDER (10/11)
27A PLATE HOLDER (11/11)
002 GEAR CHANGE MECHANISM (1/18)
003 GEAR BOX (2/18)
004 CLUTCH (3/18)
005 CLUTCH COVER (4/18)
006 CONNECTING RODS (5/18)
007 CYLINDERS - PISTONS (6/18)
008 TIMING SYSTEM (7/18)
009 OIL PUMP - FILTER (8/18)
010 HALF-CRANKCASES PAIR (9/18)
011 GENERATOR COVER (10/18)
012 ELECTRIC STARTING AND IGNITION (11/18)
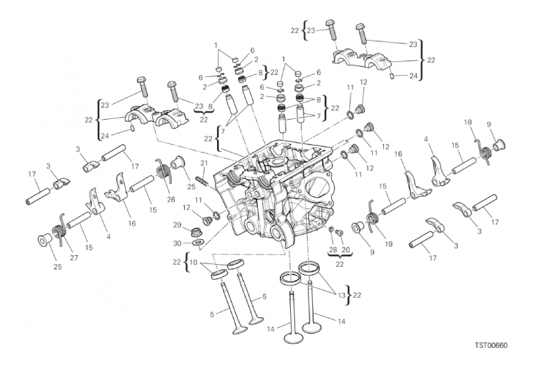
014 VERTICAL CYLINDER HEAD (12/18)
015 HORIZONTAL CYLINDER HEAD (13/18)
016 OIL COOLER (14/18)
017 THROTTLE BODY (15/18)
10A HALF-CRANKCASES PAIR (16/18)
13A VERTICAL CYLINDER HEAD - TIMING (17/18)
13B HORIZONTAL HEAD - TIMING SYSTEM (18/18)
019 EXHAUST SYSTEM (1/31)
021 HANDLEBAR (2/31)
022 FRAME (3/31)
022 FRAME (4/31)
023 CLUTCH MASTER CYLINDER (5/31)
024 FRONT BRAKE SYSTEM (6/31)
025 REAR BRAKING SYSTEM (7/31)
026 WHEELS (8/31)
027 REAR FRAME COMP. (9/31)
028 REAR SHOCK ABSORBER (10/31)
029 INTAKE (11/31)
030 WATER COOLER (12/31)
031 COOLING CIRCUIT (13/31)
032 FUEL TANK (14/31)
033 SEAT (15/31)
034 COWLING (16/31)
036 CANISTER FILTER (17/31)
037 LABEL, WARNING (18/31)
19A SECONDARY AIR SYSTEM (19/31)
21A FRONT FORK (20/31)
21B STEERING HEAD BASE ASSEMBLY (21/31)
22A SIDE STAND (22/31)
24A BRAKING SYSTEM ABS (23/31)
27C FOOTRESTS, LEFT (24/31)
27D FOOTRESTS, RIGHT (25/31)
28A SWING ARM (26/31)
32A FUEL PUMP (27/31)
34A FAIRING (28/31)
34B FAIRING (29/31)
34C WINDSHIELD (30/31)
34E SIDE BODY PANELS (31/31)
001 WORKSHOP SERVICE TOOLS (1/3)
01B WORKSHOP SERVICE TOOLS (2/3)
01C CHECK INTRUMENT DDS (3/3)