Producto añadido a la cesta
CATÁLOGO DE PIEZAS
Catálogo
Scrambler
All these accessories are ready to be shipped!
Ducati Oil
DesertX
Scrambler
Multistrada
Superbike
Monster
Diavel / XDiavel
Hypermotard
Streetfighter
Sport-classic
Semi Classic
Supersport
Sport-touring
Desmosedici
USA Models
2018
2025
2024
2023
2022
2021
2020
2019
2018
2017
2016
Accessories
Scrambler Café Racer
Scrambler Sixty2
Scrambler Icon
Scrambler Full Throttle
Scrambler Hashtag
Scrambler Mach 2.0
Scrambler Street Classic
Scrambler Café Racer
Scrambler Desert Sled
Scrambler 1100
Scrambler 1100 Sport
Scrambler 1100 Special
Register here!
Log in to your account
0
0.00
Log in to your account
0
0.00
-
BATTERY HOLDER
HEADLIGHT
TAILLIGHT
INSTRUMENT PANEL
PLATE HOLDER
WIRING HARNESS
SHIFT CAM - FORK
GEAR BOX
CLUTCH
CLUTCH COVER
CONNECTING RODS
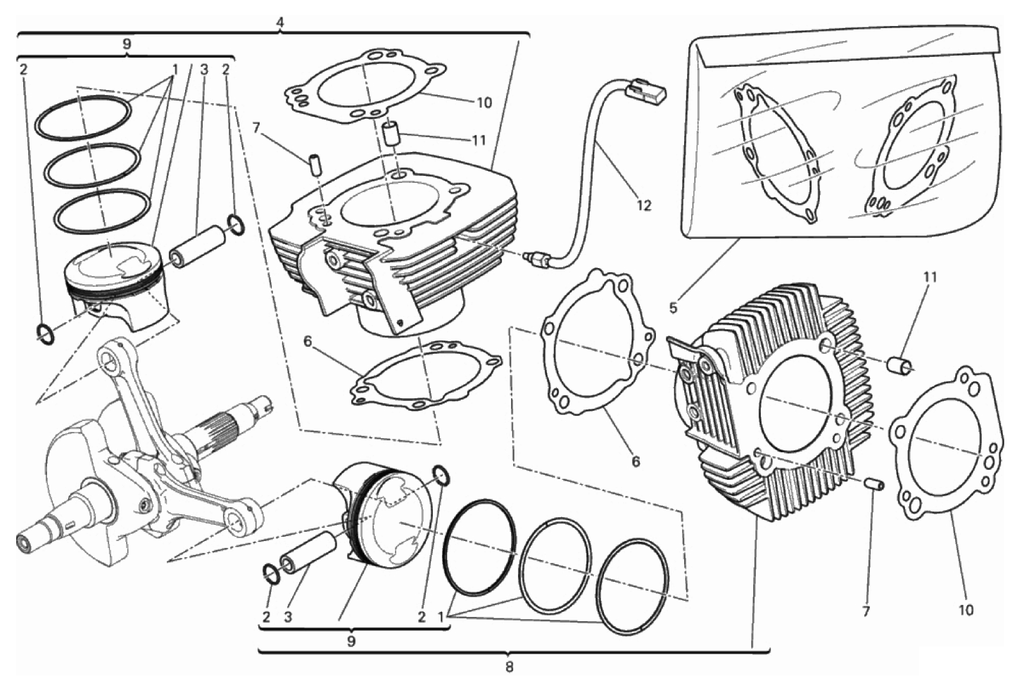
CYLINDERS - PISTONS
DISTRIBUZIONE
FILTERS AND OIL PUMP
COMPLETE HALF-CRANKCASES PAIR
GENERATOR COVER
ELECTRIC STARTING AND IGNITION
VERTICAL CYLINDER HEAD - TIMING
HORIZONTAL HEAD
HALF-CRANKCASES PAIR
TESTA ORIZZONTALE - DISTRIBUZIONE
VERTICAL HEAD
OIL COOLER
THROTTLE BODY
THROTTLE BODY
EXHAUST SYSTEM
HANDLEBAR AND CONTROLS
FRAME
CLUTCH CONTROL
FRONT BRAKE SYSTEM
REAR BRAKE SYSTEM
RUOTA ANTERIORE E POSTERIORE
FORCELLONE POSTERIORE
SOSPENSIONE POSTERIORE
AIR INTAKE - OIL BREATHER
FUEL TANK
SEAT
HALF FAIRING
HOT AIR PIPE CANISTER
FRONT FORK
SIDE STAND
ANTILOCK BRAKING SYSTEM (ABS)
FOOTRESTS, LEFT
FOOTRESTS, RIGHT
FUEL PUMP
FAIRING
WORKSHOP SERVICE TOOLS, ENGINE
WORKSHOP SERVICE TOOLS, FRAME
TESTER