Producto añadido a la cesta
CATÁLOGO DE PIEZAS
Catálogo
Superbike
All these accessories are ready to be shipped!
Ducati Oil
DesertX
Scrambler
Multistrada
Superbike
Monster
Diavel / XDiavel
Hypermotard
Streetfighter
Sport-classic
Semi Classic
Supersport
Sport-touring
Desmosedici
USA Models
2009
2024
2023
2022
2021
2020
2019
2018
2017
2016
2015
2014
2013
2012
2011
2010
2009
2008
2007
2006
2005
2004
2003
2002
2001
1996
Superbike 1098 R
Superbike 848
Superbike 1098 R
Superbike 1098 R Bayliss
Superbike 1198
Superbike 1198 S
Register here!
Log in to your account
0
0.00
Log in to your account
0
0.00
-
Workshop service tools
Workshop service tools
Workshop service tools
Dds tester
Workshop service tools
Gearchange control
Gearbox
Clutch
Clutch-side crankcase cover
Connecting rods
Cylinders - pistons
Timing system
Filters and oil pump
Crankcase halves
Crankcase halves
Water pump-altr-side crnkcse cover
Electric starting and ignition
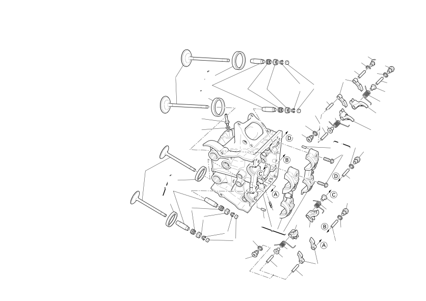
Cylinder head : timing system
Vertical cylinder head
Horizontal cylinder head
Oil cooler
Throttle body
Battery support
Electrical system
Exhaust system
Headlight & instr. panel
Handlebars - shock-absorber
Front forks
Frame
Stand
Clutch control
Front brake
Rear brake
Front and rear wheels
Rear wheel axle
Rear subframe
Number plate holder
Number plate holder - (aus)
Rear suspension
Swingarm
Air intake - oil breather
Radiator
Cooling system
Fuel tank
Fuel system
Seat
Headlight fairing
Fairing
Silencer kit