Producto añadido a la cesta
CATÁLOGO DE PIEZAS
Catálogo
USA Models
All these accessories are ready to be shipped!
Ducati Oil
DesertX
Scrambler
Multistrada
Superbike
Monster
Diavel / XDiavel
Hypermotard
Streetfighter
Sport-classic
Semi Classic
Supersport
Sport-touring
Desmosedici
USA Models
Diavel USA
Scrambler USA
Streetfighter USA
Superbike USA
Supersport USA
Monster USA
Multistrada USA
Diavel USA
Hypermotard USA
2017
2022
2021
2017
2015
2014
2013
Diavel Diesel USA
Diavel Diesel USA
Register here!
Log in to your account
0
0.00
Log in to your account
0
0.00
-
BATTERY HOLDER
HEADLIGHT
ENGINE CONTROL UNIT
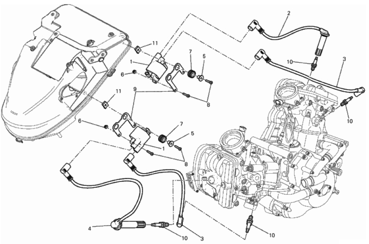
WIRING HARNESS
WIRING HARNESS (COIL)
NUMBER PLATE HOLDER - TAIL LIGHT
GEARCHANGE CONTROL
GEAR BOX
CLUTCH
CLUTCH COVER
CONNECTING RODS
CYLINDERS - PISTONS
TIMING SYSTEM
FILTERS AND OIL PUMP
HALF-CRANKCASES PAIR
WATER PUMP-ALTR-SIDE CRNKCSE COVER
ELECTRIC STARTING AND IGNITION
CAMSHAFT
VERTICAL CYLINDER HEAD
HORIZONTAL CYLINDER HEAD
OIL COOLER
THROTTLE BODY
CRANKCASE BEARINGS
EXHAUST SYSTEM
HANDLEBAR
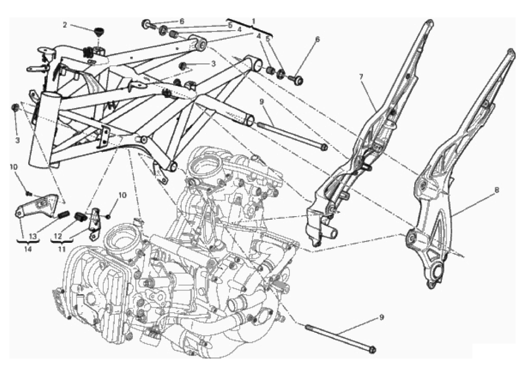
FRAME
CLUTCH MASTER CYLINDER
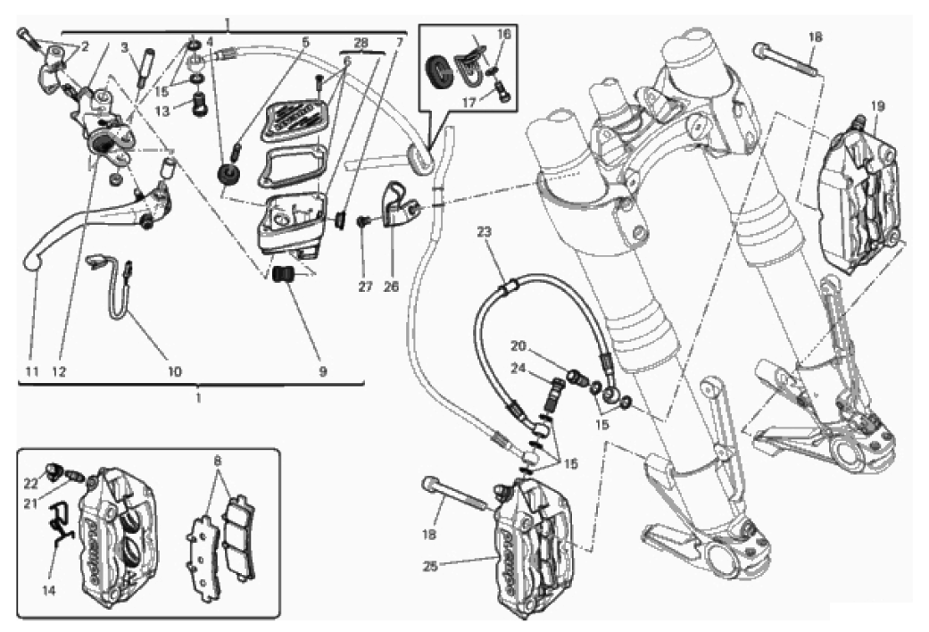
FRONT BRAKE SYSTEM
REAR BRAKE SYSTEM
WHEELS
REAR FRAME COMP.
REAR SHOCK ABSORBER
INTAKE
RADIATOR, WATER,RH
COOLING CIRCUIT
FUEL TANK
SEAT
COVERS, TANK
CANISTER FILTER
LABEL, WARNING
INSTRUMENT PANEL
SIDE STAND
FOOTRESTS, RIGHT
FOOTRESTS, LEFT
BRAKING SYSTEM ABS
HUB, REAR WHEEL
SWING ARM
RADIATOR, WATER, LH
FUEL PUMP
COVER, RADIATOR
FRONT MUDGUARD
WORKSHOP SERVICE TOOLS
WORKSHOP SERVICE TOOLS
WORKSHOP SERVICE TOOLS
DDS (2) TESTER