Producto añadido a la cesta
CATÁLOGO DE PIEZAS
Catálogo
USA Models
All these accessories are ready to be shipped!
Ducati Oil
DesertX
Scrambler
Multistrada
Superbike
Monster
Diavel / XDiavel
Hypermotard
Streetfighter
Sport-classic
Semi Classic
Supersport
Sport-touring
Desmosedici
USA Models
Multistrada USA
Scrambler USA
Streetfighter USA
Superbike USA
Supersport USA
Monster USA
Multistrada USA
Diavel USA
Hypermotard USA
2021
2022
2021
2020
2019
2018
2017
2016
2015
2014
2013
2012
2011
2010
Multistrada V4 USA
Multistrada V4 USA
Multistrada V4 S USA
Multistrada V4 S Full USA
Multistrada V4 S Sport USA
Multistrada V4 S Travel USA
Multistrada V4 S Travel Radar USA
Multistrada V4 S Performance USA
Register here!
Log in to your account
0
0.00
Log in to your account
0
0.00
-
ENGINE ELECTRIC SYSTEM
VEHICLE ELECTRIC SYSTEM
CONTROL UNIT
BATTERY HOLDER
ELECTRICAL DEVICES
ELECTRICAL DEVICES
ELECTRICAL DEVICES
HEADLIGHT
TAILLIGHT
TURN INDICATORS
INSTRUMENT PANEL
SHIFT CAM - FORK
GEAR BOX
CLUTCH
CLUTCH COVER
GENERATOR COVER
OIL PAN
CONNECTING RODS
CYLINDERS - PISTONS
TIMING SYSTEM
OIL PUMP
HALF-CRANKCASES PAIR
HALF-CRANKCASES PAIR
WATER PUMP
ELECTRIC STARTING AND IGNITION
FRONT HEAD - TIMING SYSTEM
REAR HEAD - TIMING SYSTEM
FRONT HEAD
REAR HEAD
SIDE STAND
FRONT SPROCKET - CHAIN
STEERING HEAD BASE ASSEMBLY
FRONT FORK
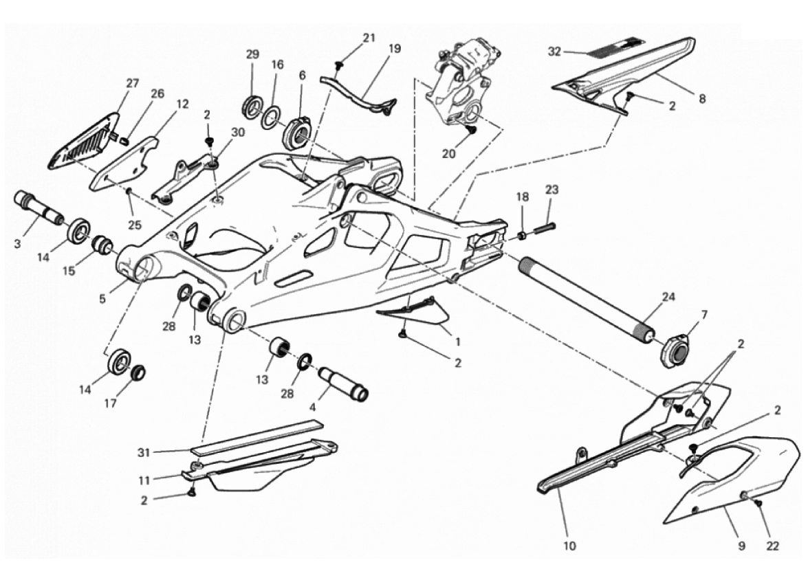
REAR SWINGING ARM
FRONT BRAKE PUMP
FRONT BRAKE SYSTEM
ANTI LOCK BRAKE SYSTEM
REAR BRAKE SYSTEM
PLATE HOLDER
HANDLEBAR AND CONTROLS
CLUTCH PUMP
REAR SHOCK ABSORBER
FRONT MUDGUARD
RADIATOR, WATER,RH
RADIATOR, WATER, LH
COOLING CIRCUIT
FOOTRESTS, LEFT
FOOTRESTS, RIGHT
REAR FOOTREST
REAR MUDGUARD
FRONT WHEEL
REAR WHEEL
TANK
FUEL PUMP
CANISTER FILTER
EXHAUST MANIFOLD
SILENCER
SECONDARY AIR SYSTEM
RIDER AND PASSENGER SEAT
FRONT SUBFRAME
FRAME
FRAME PLATE UNIT
REAR FRAME COMP.
OIL COOLER
AIR INTAKE - OIL BREATHER
THROTTLE BODY
COWLING
HEALDIGHT FAIRING SUPPORT
AIR CONVEYOR
TANK COVER
COVER, FRAME RH
COVER, FRAME LH
SUMP GUARD
PILLION RIDER GRIP REAR
POSITIONING PLATES