Producto añadido a la cesta
CATÁLOGO DE PIEZAS
Catálogo
USA Models
All these accessories are ready to be shipped!
Ducati Oil
DesertX
Scrambler
Multistrada
Superbike
Monster
Diavel / XDiavel
Hypermotard
Streetfighter
Sport-classic
Semi Classic
Supersport
Sport-touring
Desmosedici
USA Models
Scrambler USA
Scrambler USA
Streetfighter USA
Superbike USA
Supersport USA
Monster USA
Multistrada USA
Diavel USA
Hypermotard USA
2020
2022
2021
2020
2019
2018
2017
2016
2015
Scrambler Desert Sled USA
Scrambler Café Racer USA
Scrambler Desert Sled USA
Register here!
Log in to your account
0
0.00
Log in to your account
0
0.00
-
WIRING HARNESS (COIL)
VEHICLE ELECTRIC SYSTEM
BATTERY HOLDER
ELECTRICAL DEVICES
ELECTRICAL DEVICES
HEADLIGHT
TAILLIGHT
INSTRUMENT PANEL
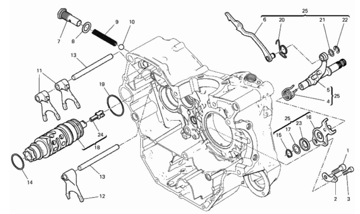
SHIFT CAM - FORK
GEAR BOX
CLUTCH (FCC)
CLUTCH (APTC)
CLUTCH COVER
GENERATOR COVER
CONNECTING RODS
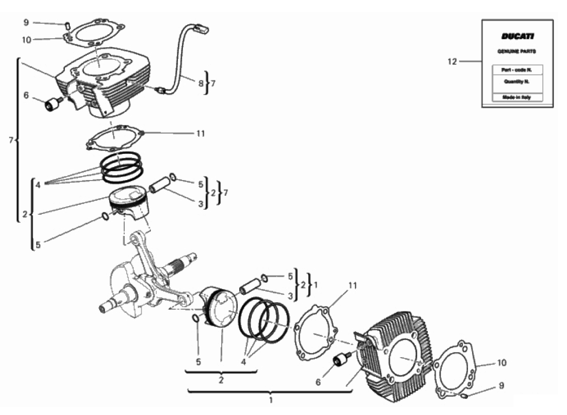
CYLINDERS - PISTONS
TIMING SYSTEM
OIL PUMP
HALF-CRANKCASES PAIR
HALF-CRANKCASES PAIR
ELECTRIC STARTING AND IGNITION
VERTICAL CYLINDER HEAD - TIMING (14/18)
HORIZONTAL HEAD – TIMING SYSTEM
VERTICAL HEAD
HORIZONTAL HEAD
INTAKE MANIFOLD
STAND
FRONT SPROCKET - CHAIN
STEERING ASSEMBLY
FRONT FORK
REAR SWINGING ARM
FRONT BRAKE PUMP
FRONT BRAKE SYSTEM
BRAKING SYSTEM ABS
REAR BRAKE SYSTEM
PLATE HOLDER
HANDLEBAR
CLUTCH CONTROL
REAR SHOCK ABSORBER
FRONT MUDGUARD
FOOTRESTS, LEFT
FOOTRESTS, RIGHT
REAR MUDGUARD
FRONT WHEEL
REAR WHEEL
TANK
FUEL PUMP
EXHAUST PIPE ASSY
EXHAUST SILENCER
SEAT
FRAME
OIL COOLER
AIR INTAKE - OIL BREATHER
SECONDARY AIR SYSTEM
THROTTLE BODY
CANISTER FILTER
FAIRING
GUARD, ENGINE
POSITIONING PLATES