Producto añadido a la cesta
CATÁLOGO DE PIEZAS
Catálogo
USA Models
All these accessories are ready to be shipped!
Ducati Oil
DesertX
Scrambler
Multistrada
Superbike
Monster
Diavel / XDiavel
Hypermotard
Streetfighter
Sport-classic
Semi Classic
Supersport
Sport-touring
Desmosedici
USA Models
Supersport USA
Scrambler USA
Streetfighter USA
Superbike USA
Supersport USA
Monster USA
Multistrada USA
Diavel USA
Hypermotard USA
2019
2022
2021
2019
2017
Supersport S USA
Supersport USA
Supersport S USA
Register here!
Log in to your account
0
0.00
Log in to your account
0
0.00
-
BATTERY HOLDER
HEADLIGHT
ENGINE CONTROL UNIT
WIRING HARNESS
PLATE HOLDER
SHIFT CAM - FORK
GEAR BOX
CLUTCH
CLUTCH COVER
CONNECTING RODS
CYLINDERS - PISTONS
TIMING SYSTEM
FILTERS AND OIL PUMP
HALF-CRANKCASES PAIR
WATER PUMP-ALTR-SIDE CRNKCSE COVER
ELECTRIC STARTING AND IGNITION
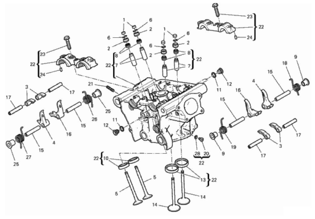
CYLINDER HEAD : TIMING SYSTEM
VERTICAL HEAD
HORIZONTAL HEAD
HALF-CRANKCASES PAIR
OIL COOLER
THROTTLE BODY
EXHAUST SYSTEM
HANDLEBAR AND CONTROLS
FRAME
CLUTCH CONTROL
FRONT BRAKE SYSTEM
REAR BRAKE SYSTEM
RUOTA ANTERIORE E POSTERIORE
REAR FRAME COMP.
SOSPENSIONE POSTERIORE
AIR INTAKE - OIL BREATHER
WATER COOLER
COOLING SYSTEM
FUEL TANK
SEAT
FAIRING
HOT AIR PIPE CANISTER
POSITIONING PLATES
FRONT FORK
SIDE STAND
ANTILOCK BRAKING SYSTEM (ABS)
REAR WHEEL SPINDLE
FOOTRESTS, LEFT
FOOTRESTS, RIGHT
REAR SWINGING ARM
COWLING
WORKSHOP SERVICE TOOLS (ENGINE)
WORKSHOP SERVICE TOOLS (FRAME)
DDS (2) TESTER