Product added to basket
PARTS CATALOG
Catalog
Semi Classic
All these accessories are ready to be shipped!
Ducati Oil
DesertX
Scrambler
Multistrada
Superbike
Monster
Diavel / XDiavel
Hypermotard
Streetfighter
Sport-classic
Semi Classic
Supersport
Sport-touring
Desmosedici
USA Models
1996
1996
748
Monster 900
748
900 SS
916
Register here!
Log in to your account
0
0.00
Log in to your account
0
0.00
-
BATTERY
ENGINE CONTROL UNIT BIPOSTO
METER
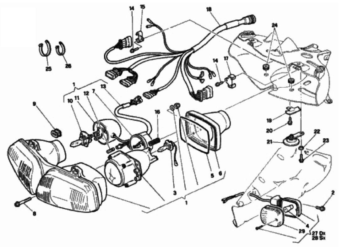
HEADLIGHT
WIRING HARNESS
ENGINE CONTROL UNIT SP
GEAR CHANGE MECHANISM
GEAR BOX
CLUTCH
CLUTCH COVER
CRANKSHAFT
CYLINDER - PISTON
TIMING BELT
OIL PUMP - FILTER DUAL SEATER
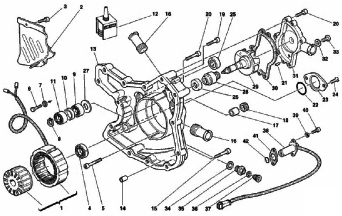
CRANKCASE
GENERATOR COVER
GENERATOR - STARTING MOTOR
CAMSHAFT
CYLINDER HEAD
INTAKE MANIFOLD
THROTTLE BODY
OIL PUMP - FILTER SP
OIL COOLER SP
EXHAUST SYSTEM
HANDLEBAR
FRAME
CLUTCH MASTER CYLINDER
FRONT BRAKE SYSTEM
REAR BRAKE SYSTEM
WHEELS
HUB, REAR WHEEL
REAR FRAME BIPOSTO
REAR SHOCK ABSORBER
INTAKE
WATER COOLER
FUEL TANK
SEAT BIPOSTO
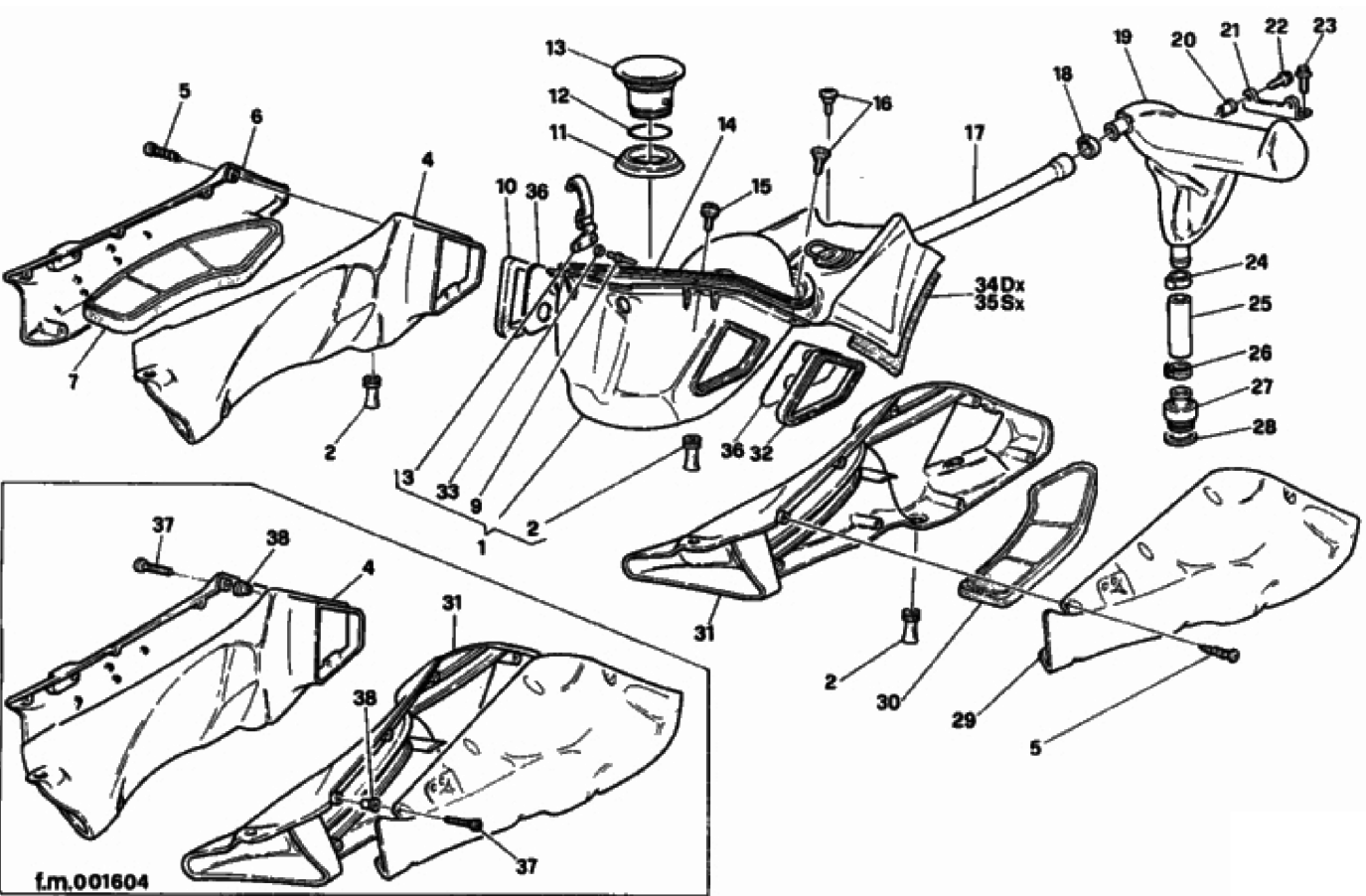
COWLING
FILTER CANISTER USA
WARNING LABELS USA
FRONT FORK
REAR FRAME SP
REAR FRAME USA
REAR SHOCK ABSORBER
FUEL PUMP
SEAT SP
FAIRING
COOLING CIRCUIT
WORKSHOP SERVICE TOOLS, ENGINE
WORKSHOP SERVICE TOOLS, FRAME