Product added to basket
PARTS CATALOG
Catalog
Semi Classic
All these accessories are ready to be shipped!
Ducati Oil
DesertX
Scrambler
Multistrada
Superbike
Monster
Diavel / XDiavel
Hypermotard
Streetfighter
Sport-classic
Semi Classic
Supersport
Sport-touring
Desmosedici
USA Models
1996
1996
916
Monster 900
748
900 SS
916
Register here!
Log in to your account
0
0.00
Log in to your account
0
0.00
-
BATTERY FM <003096
ENGINE CONTROL UNIT FM >003096
METER
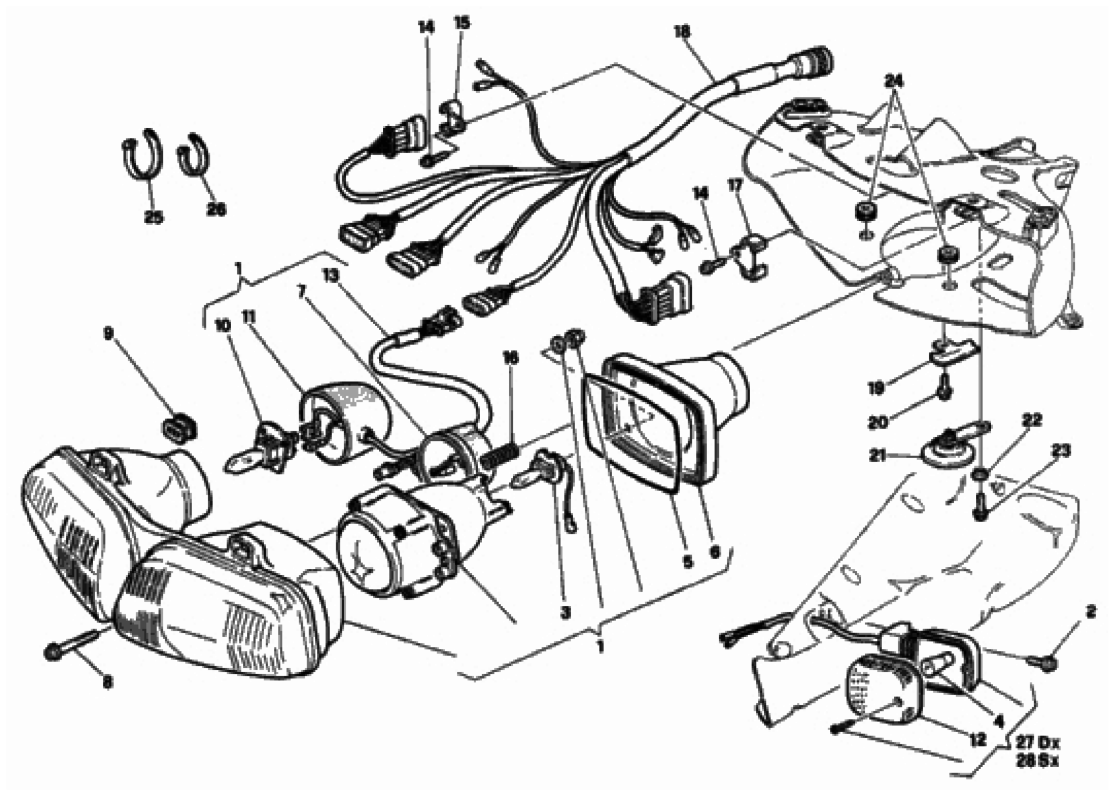
HEADLIGHT
BATTERY DM 003097>
ENGINE CONTROL UNIT SP
WIRING HARNESS
ENGINE CONTROL UNIT BIPOSTO
ENGINE CONTROL UNIT DM 003097>
GEAR CHANGE MECHANISM
GEAR BOX
CLUTCH
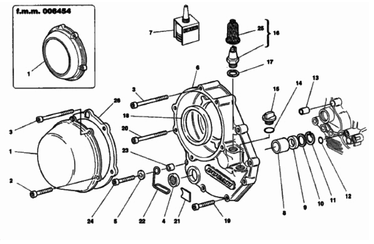
CLUTCH COVER
CRANKSHAFT 003998>
CYLINDER - PISTON
TIMING BELT
OIL PUMP - FILTER
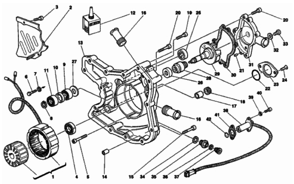
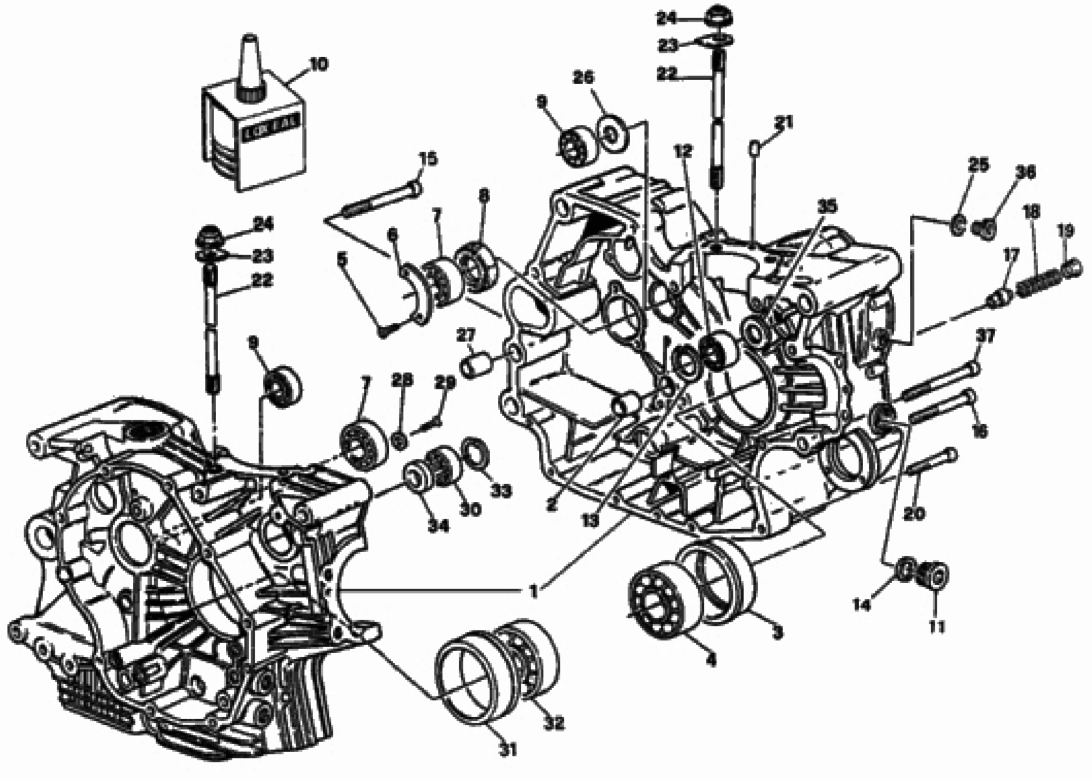
CRANKCASE
GENERATOR COVER FMM< 003123
GENERATOR - STARTING MOTOR
CAMSHAFT
CYLINDER HEAD
INTAKE MANIFOLD
THROTTLE BODY
OIL COOLER
CRANKSHAFT <003997
GENERATOR COVER DMM 003124>
EXHAUST SYSTEM
HANDLEBAR
FRAME
CLUTCH MASTER CYLINDER
FRONT BRAKE SYSTEM
REAR BRAKE SYSTEM
WHEELS
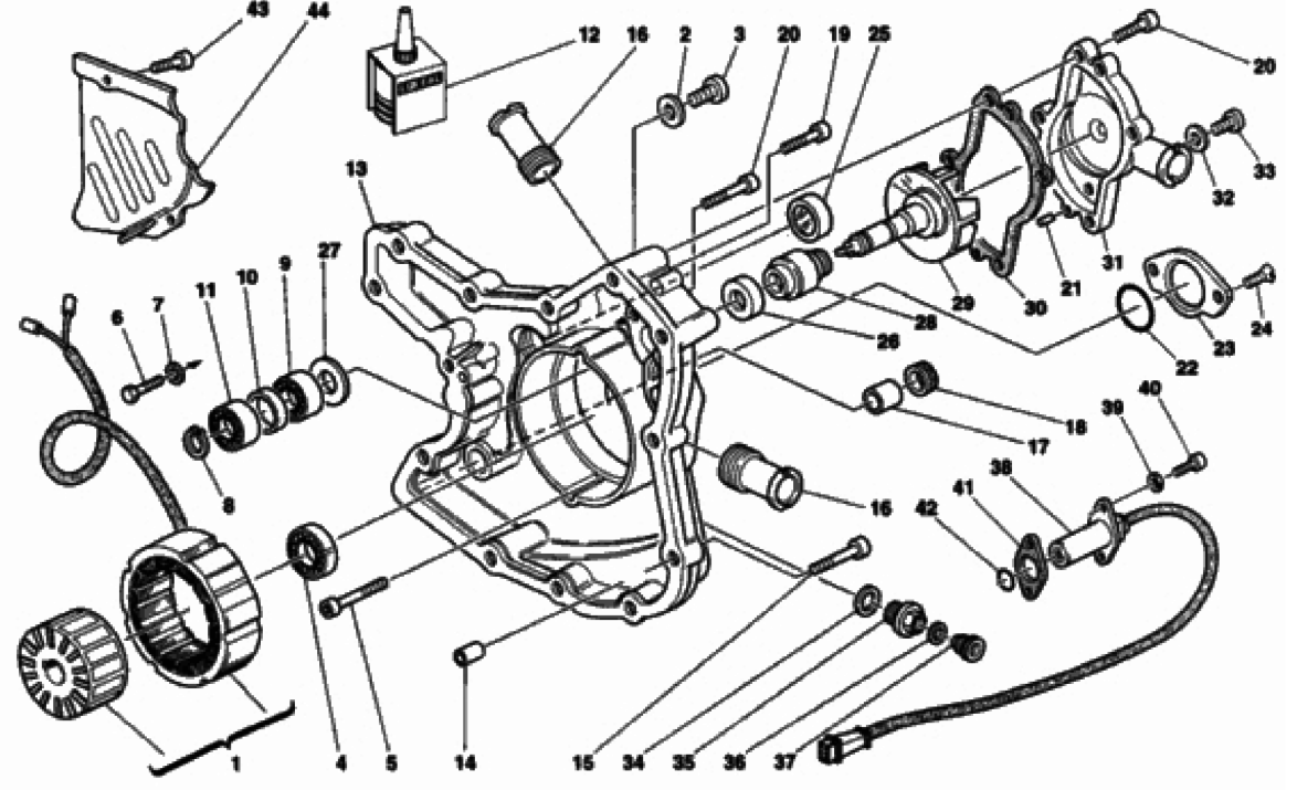
HUB, REAR WHEEL
REAR FRAME FM >003096
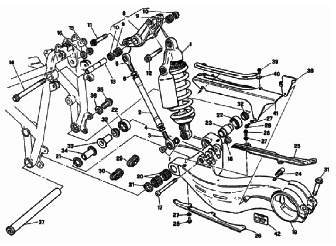
REAR SHOCK ABSORBER
INTAKE
WATER COOLER
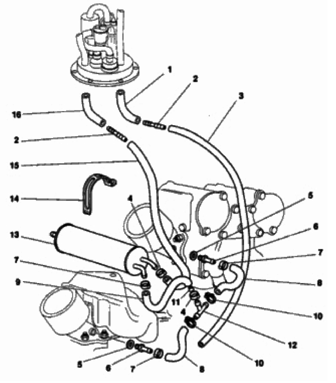
COOLING CIRCUIT
FUEL TANK
SEAT SP
COWLING
FILTER CANISTER USA
WARNING LABELS USA
WORKSHOP SERVICE TOOLS, FRAME
FRONT FORK
REAR FRAME SP
REAR SHOCK ABSORBER
FUEL PUMP
SEAT BIPOSTO
FAIRING
REAR FRAME DM003097>
WORKSHOP SERVICE TOOLS, ENGINE